Por favor ingrese una patente
Por favor ingrese un código de motor
Por favor ingrese un código
Seleccione un segmento
Seleccione una marca
Seleccione un modelo
Seleccione una versión
Seleccione una marca
Seleccione un modelo
Seleccione una versión
Seleccione una categoria
Seleccione un producto
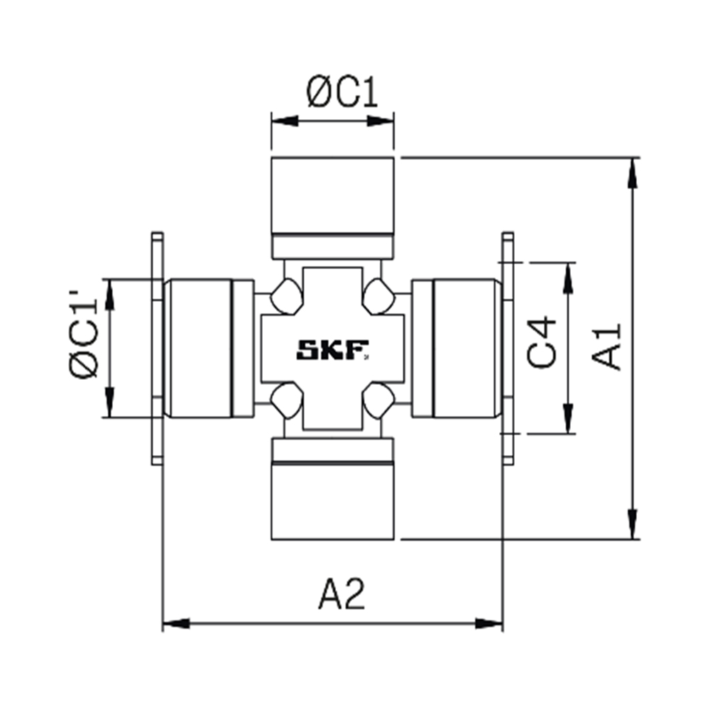
VKUA 4533 B
CRUCETA
CRUCETA VKUA 4533 B
EAN: AR08423681285

ATRIBUTOS
CONTIENE LUBRICACIÓN: SI
DISTANCIA ENTRE FIN DE CUBETAS OPUESTAS (A1/A2/D2): 194.1 mm
DISTANCIA ENTRE ORIFICIOS DE PLATO TRABA (C4): 62 mm
DISTANCIA ENTRE PLATO TRABA DE CUBETAS OPUESTAS (A2): 191.7 mm
DIÁMETRO DE MUÑÓN: 33.04 mm
DIÁMETRO EXTERIOR DE CUBETA (C1): 49.20 mm
LONGITUD DE CRUZ: 179.40 mm
TIPO DE CUBETAS: 2 CUBETAS LISAS Y 2 LISAS CON PLATO TRABA
UBICACIÓN DE LUBRICACIÓN: ENTRE MUÑONES
Referencias cruzadas
MARCA CÓDIGO
ETMA STR1-192
NAKATA NUJ510
SPICER 5-510X
SPICER 5-510XS
SPICER 5-676X
Vehículos que equipan este código
MARCA MODELO VERSIÓN MOTOR COMBUSTIBLE AÑO
INTERNATIONAL 9800 8.8 CUMMINS ISM 405 E20 (TURBO) DIESEL 2001 -> 2004
MERCEDES BENZ O 400 RSE O 400 RSE OM 457 / 457.925 DIESEL 2000 -> 2007
MERCEDES BENZ O 374 O 374 DIESEL 1995 -> 2001
VOLKSWAGEN CONSTELLATION 26.280 DC MAN D08 36 280 DIESEL 2016 ->
MERCEDES BENZ O 373 O 373 OM 447 LA DIESEL 1991 -> 1994
MERCEDES BENZ O 400 O 400 OM 447 LA DIESEL 1995 -> 1999
VOLKSWAGEN CONSTELLATION 31.280 DC MAN D08 36 280 DIESEL 2016 ->
VOLKSWAGEN TITAN 8.3 CUMMINS 6CTAA 8.3 EURO II DIESEL 2003 -> 2008
VOLVO VOLVO/BUSSCAR 9.6 DH10A360 DIESEL 2006 -> 2011
MERCEDES BENZ O 400 RSD O 400 RSD OM 457 LA EURO III DIESEL 1996 -> 2001
AGRALE 9200 TCA 9200 TCA MWM ACTEON 4.12TCE DIESEL 2005 -> 2016